D04 Parts Manual, use the pictures and tables to identify part numbers
Request a Quote or Call us at 908.362.9981 to speak with a sales engineer
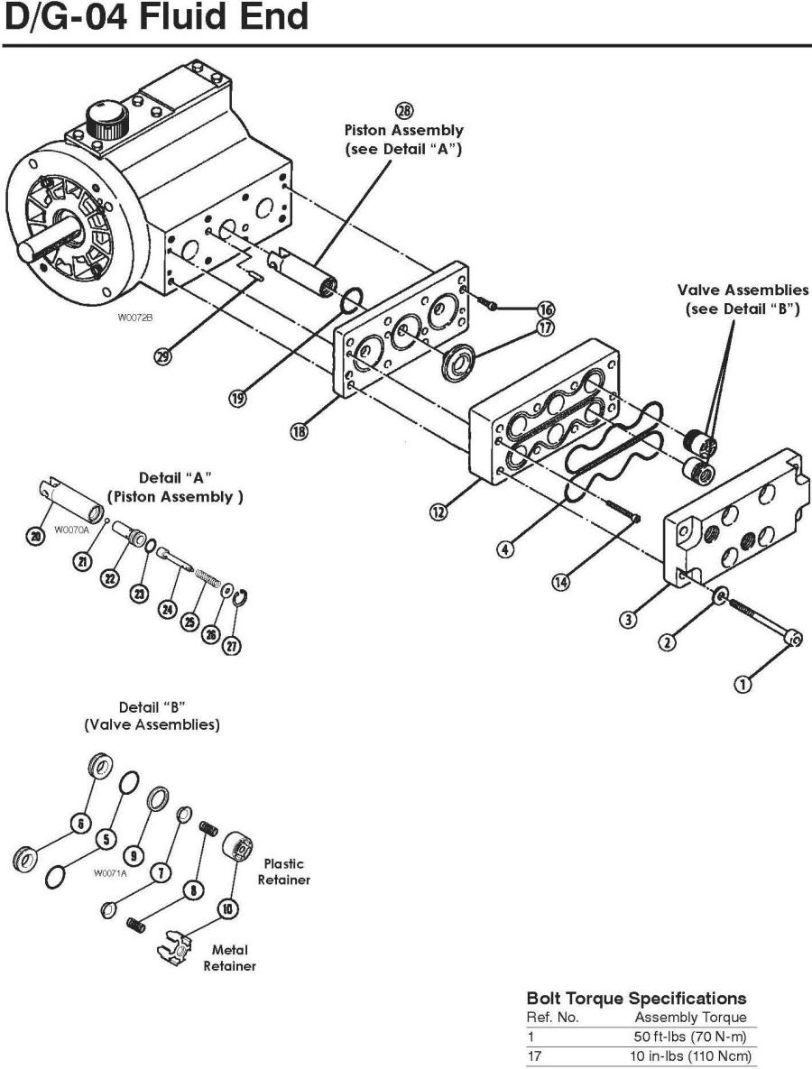
| Ref. No. | Part Number | Description | Qty |
|---|---|---|---|
| 1 | G10-024-2010 | Screw, Cap, soc-hd, 90 mm | 8 |
| 2 | D11-048-2011 | Washer, Flat, hardened | 8 |
| 3 | D03-004-1040 | Manifold, Brass, NPT | 1 |
| D03-004-1034 | Manifold, 304 sst, NPT | 1 | |
| D03-004-1036 | Manifold, 316 sst, NPT | 1 | |
| G03-004-1040 | Manifold, Brass, BSPT | 1 | |
| G03-004-1034 | Manifold, 304 sst, BSPT | 1 | |
| G03-004-1036 | Manifold, 316 sst, BSPT | 1 | |
| 4 | D03-073-2140 | O-ring, Manifold, Buna | 2 |
| D03-073-2141 | O-ring, Manifold, Viton | 2 | |
| 5 | D25-046-2110 | O-ring, Valve seat, Buna | 6 |
| D25-046-2111 | O-ring, Valve seat, Viton | 6 | |
| 6 | D15-020-2010 | Valve Seat, 17-4 sst | 6 |
| D15-020-2011 | Valve Seat, Nitronic 50 | 6 | |
| D15-020-2016 | Valve Seat, Tungsten carbide | 6 | |
| D15-020-2017 | Valve Seat, Hastelloy C | 6 | |
| 7 | D03-021-1011 | Valve, Nitronic 50 | 6 |
| D03-021-1015 | Valve, 17-4, machined | 6 | |
| D03-021-1016 | Valve, Tungsten carbide | 6 | |
| D03-021-1017 | Valve, Hastelloy C | 6 | |
| 8 | D03-022-3113 | Valve Spring, Hastelloy C | 6 |
| D03-022-3114 | Valve Spring, Elgiloy | 6 | |
| D03-022-3118 | Valve Spring, 316 sst | 6 | |
| 9 | D03-092-2110 | Tetra Seal, Buna | 6 |
| D03-092-2111 | Tetra Seal, Viton | 6 | |
| 10 | D03-023-1010 | Retainer, Valve spring, 17-7 sst | 6 |
| D03-023-1017 | Retainer, Valve spring, Hastelloy C | 6 | |
| D03-023-2310 | Retainer, Valve spring, Celcon | 6 | |
| D03-023-2316 | Retainer, Valve spring, Nylon | 6 | |
| D03-023-2317 | Retainer, Valve spring, polypropylene | 6 | |
| D03-023-2318 | Retainer, Valve spring, Kynar | 6 | |
| 11 | D03-125-1011 | Washer, Dampening, sst | 6 |
| 12 | D03-003-1030 | Valve Plate, Brass | 1 |
| D03-003-1034 | Valve Plate, 304 sst | 1 | |
| D03-003-1036 | Valve Plate, 316 sst | 1 | |
| 14 | G10-088-2010 | Screw, Cap, soc-hd, 30 mm | 2 |
| 16 | G03-088-2010 | Screw, Cap, soc-hd, 20 mm | 2 |
| 17 | D03-018-1240 | Diaphragm, Buna-N-XS | 3 |
| D03-018-1245 | Diaphragm, Viton-XT | 3 | |
| 18 | D03-002-1012 | Diaphragm Plate, Steel | 1 |
| 19 | D03-075-2110 | O-ring, Diaphragm plate, Buna | 3 |
| 20 | D03-014-1004 | Piston | 3 |
| 21 | D10-015-3010 | Ball | 3 |
| 22 | D03-043-1000 | Valve Cylinder | 3 |
| 23 | D03-034-2110 | O-ring, Valve cylinder, Buna | 3 |
| 24 | D03-044-1000 | Valve Plunger | 3 |
| 25 | D03-045-3110 | Spring, Sleeve valve | 3 |
| 26 | D03-049-1000 | Washer | 3 |
| 27 | D03-048-2210 | Snap Ring | 3 |
| 28 | D03-014-1210 | Piston Assembly | 3 |
| 29 | D03-026-2210 | Pin | 2 |
Request a Quote or Call us at 908.362.9981 to speak with a sales engineer
| Ref. No. | Part Number | Description | Qty |
|---|---|---|---|
| 50 | G03-086-2010 | Bolt, Hex flange | 4 |
| 51 | D25-047-2110 | O-ring, Back cover screws, Buna | 4 |
| 52 | D03-131-1000 | Back Cover | 1 |
| 53 | D03-037-2110 | O-ring, Back cover, Buna | 1 |
| 54 | D03-031-2110 | Seal, Buna | 1 |
| 55 | D03-011-2910 | Back Bearing | 1 |
| 56 | D10-085-2210 | Key, Shaft | 1 |
| 57 | D03-009-1048 | (S) Crank Shaft, 5.5 l/min @ 1450 RPM | 1 |
| D03-009-1042 | (E) Crank Shaft, 6.5 l/min @ 1450 RPM | 1 | |
| D03-009-1040 | (X) Crank Shaft, 9.0 l/min @ 1450 RPM | 1 | |
| 58 | D03-133-1000 | Pin | 3 |
| 59 | D03-132-1004 | Connecting Rod, Aluminum-bronze | 3 |
| 60 | D10-078-2210 | Cap, Brass | 1 |
| 61 | D10-077-2210 | Pipe, Brass | 1 |
| 62 | D10-076-2210 | Elbow, Brass | 1 |
| 63 | D03-039-1030 | Cap with O-ring, Oil fill | 1 |
| 64 | D10-080-2110 | O-ring, Oil fill, Buna | 1 |
| 65 | G03-068-2010 | Screw, Cap, soc-hd, 40 mm | 2 |
| 66 | G25-048-2010 | Washer | 2 |
| 67 | G10-028-2010 | Nut, hex | 2 |
| 68 | D03-010-2910 | Front Bearing | 1 |
| 69 | D03-087-2010 | Screw, Cap, hex-hd, 1/2 in. | 2 |
| 70 | D40-074-2110 | O-ring, Front cover, Buna | 1 |
| 71 | D03-130-1000 | Front Cover | 1 |
| 72 | D03-025-1010 | Base Plate | 1 |
| 73 | D03-089-2010 | Screw, Cap, hex-hd, 3/4 in. | 2 |
| 74 | D03-050-2010 | Washer, Lock | 2 |
| 78 | G03-001-1218 | Pump Housing Assembly (Inc. 60, 61, 62, 68) | 1 |
| G03-001-1228 | Pump Housing | 1 | |
| 79 | D10-040-2410 | Nameplate | 1 |
| 82 | G25-106-2318 | Gasket, Cover | 1 |
| 83 | H25-105-1018 | Cover, Housing | 1 |
| 84 | G25-090-2010 | Screw, Cap, hex-hd, 16 mm | 6 |
| 86 | D03-026-2211 | Pin | 2 |
| Ref No. | Description | Part (56C-145TC) | Part (182-215TC) | Qty |
|---|---|---|---|---|
| 82 | Pump/Motor Adapter | A04-032-1000 | A04-033-1002 | 1 |
| 83 | Screw, Cap, hex-hd | D10-087-2010 | M10-110-2000 | 4 |
| 84 | Lockwasher | D10-048-2010 | M10-111-2000 | 4 |
| 86 | Pin | D03-026-2211 | D03-026-2211 | 2 |
| 87 | Screw, Cap, soc-hd | G03-068-2010 | G03-068-2010 | 4 |
| 88 | Lockwasher | G25-048-2010 | G25-048-2010 | 4 |
| Ref No. | Description | Part (80-90 B5) | Part (100-112 B5) | Qty |
|---|---|---|---|---|
| 82 | Pump/Motor Adapter | A04-032-1001 | A04-033-1003 | 1 |
| 83 | Screw, Cap, soc-hd | G03-068-2010 | A04-043-2010 | 4 |
| 84 | Lockwasher | A04-044-2010 | M10-111-2000 | 8 |
| 85 | Nut | A04-047-2010 | A04-045-2010 | 4 |
| 86 | Pin | D03-026-2211 | D03-026-2211 | 2 |
| 87 | Screw, Cap, soc-hd | G03-068-2010 | G03-068-2010 | 4 |
| 88 | Lockwasher | G25-048-2010 | G25-048-2010 | 4 |